연구분야
Korea Textile Machinery Convergence Research Institute
첨단소재 연구
핵심 기술
친환경 소재 제조 및 소재부품화 기술
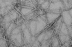
- (셀룰로스 원료화) – 천연물 및 리사이클 기반 셀룰로스 원료화 기술
- (셀룰로스 미세섬유화) – 화학적, 바이오 전처리 기술, 나노해섬기술, 고농도 미세섬유화 기술
- (친환경 소재 부품화) – 바이오 복합재료, 탄성소재 산업화, 전기전자재료 등 다양한 산업분야에 아우르는 소재부품화 기술
phone_in_talk 기술문의그린소재연구부
염소화폴리염화비닐계 저비용 탄소섬유 제조기술
국내에서 파이프 용으로 활용하는 CPVC를 원료를 사용하여 탄소섬유 제조공정 상에서 ‘안정화’ 공정이 필요없어 에너지 절감이 가능하며 원가 경쟁력 있는 탄소섬유 개발
phone_in_talk 기술문의복합소재연구부
슬래그섬유 소재 개발 및 유리섬유 대체 기술
철강슬래그를 활용한 광물 장섬유의 양산 기술과 이를 이용한 복합재료개발로 수입에 의존하던 유리섬유를 대체하고 산업폐기물의 재활용을 통한 고부가가치 및 자원순환(ESG 경영) 달성
phone_in_talk 기술문의복합소재연구부
원료 (폐CFRP) 비파쇄 공정기반 재생탄소섬유 (rCF) 회수 및 rCF 재자원화 기술
- (rCF 회수 공정) – 유도가열기반 폐CFRP 고속 열분해 기술 (불연속 rCF / 연속 rCF)
- (rCF 재자원화) – rCF 표면 관능구조 재도입 (Re-sizing) 및 고분자 수지 재함침 공정기술
- (rCF 부품화) - rCF 기반 차량용 고분자 복합재 부품, 전자파 차폐 소재, 구조 및 기능성 부품 제조기술
phone_in_talk 기술문의복합소재연구부

